Профиль для гипсокартона GS
Описание:
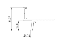
Теневой профиль для потолков из гипсокартона GS – инновационный профиль, ставший прорывом в сфере дизайна потолков. Визуальная тонкость этого решения заключается в образовании теневой зоны 10 мм. Вы получаете ровную теневую линию примыкания потолка и стены, которая выглядит оригинально и современно. Теневой профиль создаёт ощущение парящего в воздухе потолка.
Профиль для гипсокартонных потолков GS подходит для различных интерьеров.Такое решение не требует установки плинтуса. Теневой зазор в 10 мм. позволяет легко обновить дизайн стен, можно легко переклеить обои или перекрасить стены.
Продуманная конструкция кратно сокращает сроки монтажа.
Характеристики:
Длина профиля: 2 метра.
Цвет и покрытие: черный с порошковым покрытием EXTRA STRONG.
Особенности: формирует теневой зазор.
Профиль имеет исключительную стабильность, за счет своей геометрии и толщины, что дает возможность сформировать идеально ровный теневой зазор.
Профиль имеет уникальную систему выравнивания и фиксации стыков SkyfiX. Фиксатор можно приобрести по ссылке: https://www.skyshop.ee/ru/product/fiksator-skyfix-dlya-vyravnivaniya-i-fiksatsii-stykov
NB! Предоставляем услугу по изготовлению профильных систем из алюминия по вашим чертежам. info@skystyle.eu


















